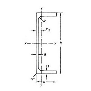
UPE sections

| Plieno markė | Ilgis L, (mm) | |
| S235, S275, S355 | UPE 100 ÷ UPE 200 | 6000 ÷ 12000 |
Our services
Metal cutting
Due request we can cut to the required dimensions: with gas or BOMAR machine.
Delivery
Delivery of metal to the needed location.
Having questions?
If you have questions, feel free contact us. Our team is ready to help you.